▍ 簡要說明 ↴
帶電電纜識別儀說明書:電纜施工現場的線路一般錯綜復雜,工作人員往往需要從多條停運電纜或帶電電纜中找出目標電纜,稍有出錯就可能造成重大事故。針對這一現狀,陜西意聯電氣采用先進的數字信號處理器及數字化波形識別分析技術,研制出了這款YLDL-3038C智能帶電電纜識別儀,其抗干擾能力強,發射功率大,識別電纜準確度高,被廣泛應用于電力電纜工作現場。
新型帶電電纜識別與探傷系統主要解決問題是:對停運電纜或帶電電纜進行識別目標電纜。系統采用先進的數字信號處理器及數字化波形識別分析技術,抗干擾能力強,發射功率大,識別電纜準確度高。
▍ 系統構成 ↴
➤ 電纜識別信號發生裝置。采用數字調制和解調方式,產生加密信息,有效防止干擾。增強加密信號功率,使識別信號傳輸的距離更長,同時提高信號的可識別度;
➤ 電纜識別信號發射鉗。信號發射鉗把能源信息裝置產生的加密信號加載與電纜上。加載方式有兩種:
第1種:針對帶電電纜,通過耦合鉗將信號加載于帶電電纜,不用接觸電纜導體部分就可以加載信號于帶電電纜,安全可靠。
第二種:針對不帶電電纜,通過直接連接方式加載信號于目標電纜,同時也可以采用耦合法加載信號。
➤ 電纜識別信號接收器。它用于對由識別信號發生裝置發射到電纜上的信號采集識別,判斷是否為需要尋找的目標電纜。
▍ 功能特點 ↴
✔ 對運行電纜和停運電纜都能進行識別。
✔ 識別信息由方向、波形和同步信號組成,簡單易判。
✔ 信號通過特殊編碼加密發射,抗干擾度高,接收器解碼識別,識別準確性高。
▍ 技術參數 ↴
1】主機工作電源:4節5號堿性電池可連續工作時間≥4h,或者使用AC220V供電。
2】信號加載器鉗口可達130mm, 閉合時內徑約125mm。
3】接收器柔性線圈:閉合為圓形時內徑約135mm。
4】接收器工作電源:2節5號堿性電池可連續工作時間≥8h。
5】識別方式:方向、波形、同步信號。
6】接收靈敏度:接地回路電阻大于150歐姆時可工作。
▍ 經濟效益 ↴
未使用帶電電纜識別儀前每次確認目標電纜至少需要約3至5人,耗費時間長、識別工作反復、準確性差、效率低。使用該產品識別運行電纜和停運電纜僅需2至3人,節省了人力約二分之一,提高人員利用率,大量節約單次施工的時間,創造了高額經濟效益。
▍ 社會效益 ↴
使用帶電電纜識別儀使電力電纜檢修施工更加安全,可以更快,更準確的對故障目標電纜進行確認、刺扎。提高了電纜鋸切施工時的安全性,降低了電纜檢修施工時的人員傷害發生的概率,杜絕了了施工現場經常發生的因試扎錯誤或鋸錯電纜所造成的重大停電事件和人身安全事件,提高施工維修效率,社會效益顯著。
▍ 使用方法 ↴
帶電電纜識別儀使用方法說明:
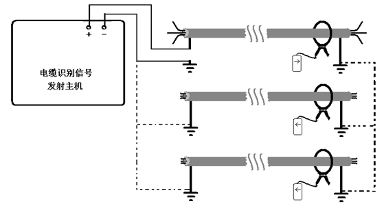
非運行(不帶電)電纜識別方法一
a) 確認電纜起始端都已經懸空。
b) 將電纜的起始端和終端鋼鎧與系統地斷開,電纜任意一好相的終端與系統地短接,如下圖:
電纜識別前連線處理
c) 將直連信號線的紅線一端接到發射機的紅接線柱上,另一端接至終端接地電纜的起始端上,直連信號線黑線一端接到發射機的黑接線柱上,另一端可靠連接到系統地上。
d) 打開發射機電源開關,主機的電源指示燈亮,并且輸出指示燈會有閃爍輸出顯示,表示發射主機輸出信號正常。
e) 將接收機柔性線圈插到接收機上端的插座內,此時接收器電源自動接通,屏幕顯示如圖7所示。
f) 將接收機柔性線圈離開發射鉗約3米距離卡在被識別電纜上,接收機柔性線圈上的箭頭指向電纜終端方向,調節接收機上按鍵將信號波形調整到適合大小,此時觀察到接收機顯示指示方向與接收機線圈上的箭頭指向一致,說明系統工作正常。
非運行電纜識別接收機校驗
g) 將接收機拿到識別電纜的測試現場,用接收機軟線圈逐條卡住待判定的電纜,且軟線圈上的箭頭必須指向電纜終端方向,當卡住某條電纜時接收機表頭上的箭頭方向和線圈上的箭頭指向同一方向且信號幅度較大時,則此電纜即為要尋找的目標電纜。卡住非目標電纜時,屏幕上的箭頭方向與卡鉗上的箭頭方向相反。
h) 接收器屏幕右上角顯示的“O”圖標,當該圖標變成黑色實心圈時,表示接收到信號,同時接收器蜂鳴器會響一聲,屏幕中間顯示的數字會有變化,如果信號有效,屏幕左上角會顯示箭頭指示方向。箭頭位置如果連續顯示“X”或者不觸發,表示幅度過小,需要調大;電池在2.6V以下時會顯示“欠壓”,提示更換電池。如果連續收到信號,并且無規律,說明有干擾,需要降低接收幅度或者更換接收位置。界面如圖10。
非運行電纜識別現場操作圖
非運行(不帶電)電纜識別方法二
a) 確認電纜起始端都已經懸空。
b) 將電纜的起始端鋼鎧與系統地斷開,電纜終端鋼鎧與系
統地連接如下圖。
電纜識別前連線處理
c) 將直連信號線的紅線一端接到發射機的紅接線柱上,另一端接至終端接地電纜的起始端上,直連信號線黑線一端接到發射機的黑接線柱上,另一端可靠連接到系統地上。
d) 打開發射機電源開關,主機的電源指示燈亮,并且輸出指示燈會有閃爍輸出顯示,表示發射主機輸出信號正常。
e) 將接收機柔性線圈插到接收機上端的插座內,此時接收器電源自動接通,屏幕顯示如圖7所示。
f) 將接收機柔性線圈離開發射鉗約3米距離卡在被識別電纜上,接收機柔性線圈上的箭頭指向電纜終端方向,調節接收機上按鍵將信號波形調整到適合大小,此時觀察到接收機顯示指示方向與接收機線圈上的箭頭指向一致,說明系統工作正常。
非運行電纜識別接收機校驗
g) 將接收機拿到識別電纜的測試現場,用接收機軟線圈逐條卡住待判定的電纜,且軟線圈上的箭頭必須指向電纜終端方向,當卡住某條電纜時接收機表頭上的箭頭方向和線圈上的箭頭指向同一方向且信號幅度較大時,則此電纜即為要尋找的目標電纜。卡住非目標電纜時,屏幕上的箭頭方向與卡鉗上的箭頭方向相反。
h) 接收器屏幕右上角顯示的“O”圖標,當該圖標變成黑色實心圈時,表示接收到信號,同時接收器蜂鳴器會響一聲,屏幕中間顯示的數字會有變化,如果信號有效,屏幕左上角會顯示箭頭指示方向。箭頭位置如果連續顯示“X”或者不觸發,表示幅度過小,需要調大;電池在2.6V以下時會顯示“欠壓”,提示更換電池。如果連續收到信號,并且無規律,說明有干擾,需要降低接收幅度或者更換接收位置。界面如圖10。

非運行電纜識別現場操作圖
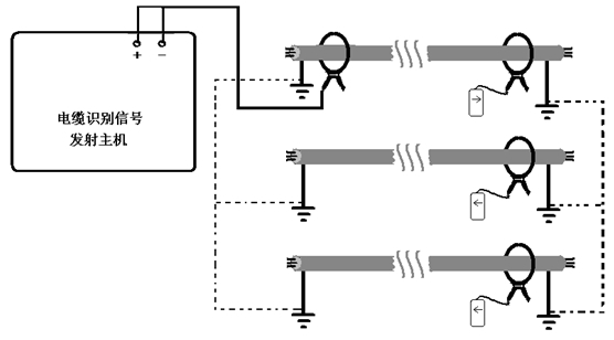
1.4.3 運行(帶電電纜)電纜識別方法
該方法同樣適用于非運行(不帶電)電纜識別。
a) 將發射卡鉗的紅、黑兩個接線插頭接在發射主機輸出對應的兩個紅、黑接線柱上,將發射卡鉗卡在需要識別的電纜上,發射卡鉗上的指示箭頭指向電纜終端方向。
b) 在距發射卡鉗3米以外的被識別電纜上,用接收器軟性圈卡住被識別電纜,接收卡鉗上的箭頭指向電纜終端,此時接收機表頭指示的方向和接收軟線圈上的箭頭方向一致且信號幅度較強,則說明工作正常。
運行電纜識別接收機校驗
e) 到需要識別電纜的地點,用接收機卡鉗對各條電纜進行識別,在進行判別時,將接收卡鉗上的箭頭始終指向電纜的終端方向,逐條電纜進行判別。
f) 在某條被識別電纜上,接收機表頭指示的方向和接收軟線圈上箭頭方向同時指向電纜終端時,該電纜就是要尋找和目標電纜。
運行電纜識別現場操作圖
▍ 注意事項 ↴
帶電電纜識別儀注意事項:
⊿ 如帶電電纜中間有接地或分支,則只能識別電纜接地或分支前的部分。
⊿ 給電纜加耦合信號后,用柔性線圈及接收盒測不到明顯有效信號,可以離開發射鉗約3米避免信號干擾,如果仍然沒有有效信號顯示,則表示電纜的銅屏蔽層有斷開點或電纜兩端接地不可靠。此時,一般應檢查待識別電纜的接地情況。如果發現屏蔽層有斷開點,則可以使用接地鉗將斷開點前后分別接地,然后分段識別。
⊿ 如果在接收器距主機3m左右的地方校驗識別有信號,而在待識別現場無信號,或信號很小、無法識別,則說明該待識別電纜必然有多處金屬外護套接地點,這種情況必須將待識別電纜停電進行分段識別。此時可以利用芯線做為信號通道進行識別,即將電纜始端和終端的芯線接地進行識別的方法。
⊿ 長時間不使用設備時,請將主機及接收盒內的電池取出單獨另外存放。
▍ 產品實拍 ↴